Thông tin chung cảm biến lực GY-3 10 tấn
Cảm biến lực GY-3 10 tấn là dòng loadcell nhập khẩu hãng Amcells. Hiện đây là sản phẩm được ứng dụng rộng rãi trong ngành công nghiệp, các hệ thông cân: Cân bàn, cân sàn, cân bồn, cân băng tải, cân trục, cân công nghiệp, cân đóng bao. Dưới đây là những ưu điểm mà sản phẩm này mang lại:
- Tải trọng: 10t
- Vật liệu chế tạo cảm biến lực GY-3 10 tấn là hợp kim thép/Hợp kim thép chống rỉ sét INOX, hàn kín, không thấm nước và chống ăn mòn do môi trường sử dụng.
- Khả năng chống chịu sét tốt.
- Cấp chính xác: C3.
- Chứng nhận: OIML R60 (2000), CE.
- Điện áp biến đổi: 2.0 mV/V±0.25% ; 3.0 mV/V±0.25%
- Sai số lặp lại: 0.03% R.O.
- Độ trễ: 0.03% R.O.
- Sai số tuyến tính: 0.03% R.O.
- Quá tải (30 phút): 0.03% R.O.
- Cân bằng tại điểm: (“0” ≤ ± 1) %R.O.
- Bù nhiệt: (-10 ~ +40) °C.
- Nhiệt độ làm việc: (-20 ~ +60) °C.
- Nhiệt độ tác động đến tín hiệu ra:0.002%R.O./℃
- Nhiệt độ tác động làm thay đổi điểm “0”: (≤ ± 0.003) %R.O/°C
- Điện trở đầu vào: 385 Ohm.
- Điện trở đầu ra: 350 Ohm.
- Điện trở cách điện: ≥ 5000 (ở 50VDC) MΩ.
- Điện áp kích thích: 5 ~ 12 (DC/AC) V.
- Điện áp kích thích tối đa: 18 (DC/AC) V.
- Chất liệu: Steel Alloy.
- Quá tải an toàn: 150 %.
- Quá tải phá hủy hoàn toàn: 300%.
- Tuân thủ theo tiêu chuẩn: IP67
- Chiều dài dây tín hiệu: 6 mét.
- Phương thức định lượng: cảm biến từ (load cell)
- Ứng dụng: Cấu trúc dạng chén, thiết kế thấp, chắc chắn. Phù hợp với các ứng dụng cân sàn lớn, cân bồn, cân trục xe lửa và các ứng dụng cân điện tử khác
- Tương thích với tất cả các đầu cân, độ chính xác cao
- Với thiết kế hợp kim thép, công nghệ dập và dán kín, thích hợp để sử dụng trong môi trường công nghiệp khắc nghiệt nhất.
- Cảm biến lực GY-3 10 tấn được thiết kế để đáp ứng các yêu cầu về độ chính xác nghiêm ngặt nhất.
Thông số kỹ thuật Cảm biến lực GY-3 10 tấn
| Nội dung | Thông số |
| Model | GY-3 |
| Mức cân lớn nhất | 10t |
| Chứng nhận | OIML R60, CE, IP67 |
| Cấp chính xác | C3 |
| Điện áp biến đổi | (2.0 ± 0.2) mV/V. |
| Điện trở đầu vào | 385+/-15 Ω |
| Điện trở đầu ra | 350+/-3 Ω |
| Vật liệu | Hợp kim thép |
| Chân | (M32 x 1.5) |
| Bảo hành | 12 tháng |
| Thương hiệu | Amcells USA |
Hình ảnh chụp thật
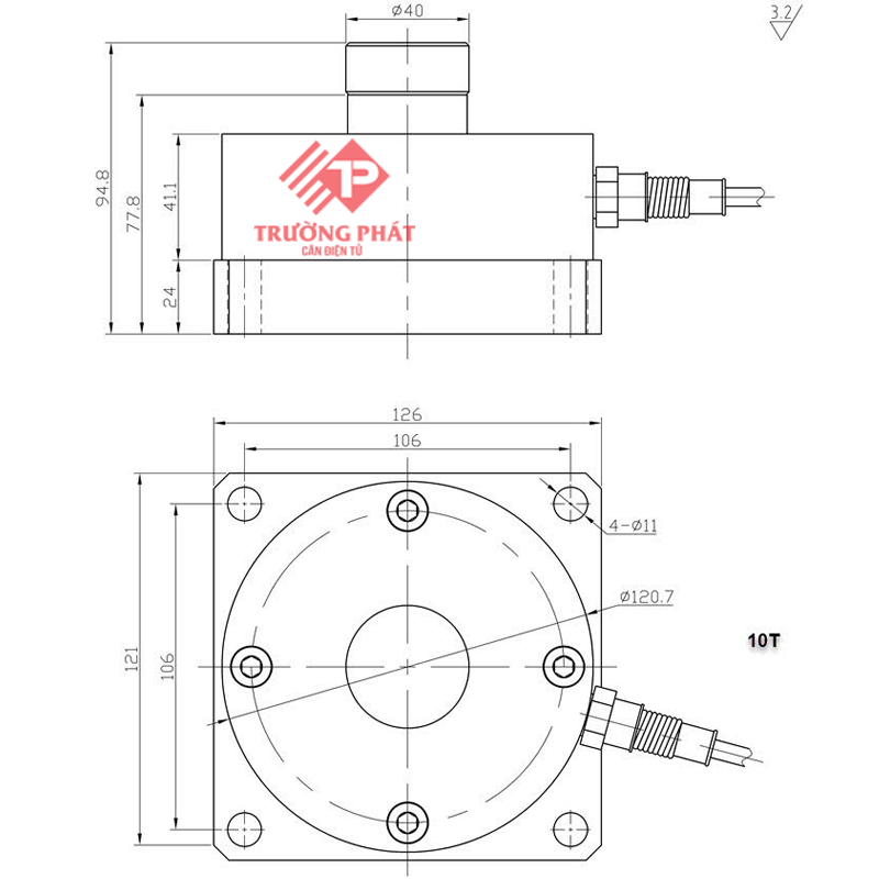
Thông số lắp đặt cảm biến lực GY-3 10t

Khi Quý khách hàng mua sản phẩm sẽ bao gồm
Khi mua sản phẩm Cảm biến lực GY-3 10t tại CÂN ĐIỆN TỬ TRƯỜNG PHÁT quý khách hàng sẽ nhận được sản phẩm bao gồm:
- Loadcell GY-3 10t mới 100%.
- Catalogue, Chân đệm loadcell.
Nếu quý khách cần hỗ trợ nhanh về dịch vụ bảo hành và dịch vụ giao hàng hãy liên hệ với chúng tôi qua Hotline: 0919 79 1727 , xin trân trọng cảm ơn quý khách đã tin tưởng và đồng hành !
CÔNG TY TNHH CÂN ĐIỆN TỬ TRƯỜNG PHÁT
- Hotline: 0919 79 1727 – 0938 43 44 88
- Email: info@cantruongphat.vn
- Hỗ trợ kỹ thuật 24/7

Cân ghế điện tử 4050 T7E 200KG 



